技术与产品

您的当前位置:首页 > 技术与产品
弱电系统的防雷3:防止屏蔽层被暂态电流烧熔的措施
来源:[中国机电一体化技术应用协会工程技术发展中心] | 发布时间:2020-07-21 18:50:36

本专题的标题是弱电系统的防雷,有朋友理解偏了,字面上是讨论防雷,本质是讨论弱电系统如何抗干扰。 

前两期,我们讨论了屏蔽电缆是两端接地还是一端接地的问题:一端接地只能防静电干扰,两端(多端)接地既静电干扰又防电磁干扰。因此,为了防止电磁干扰,屏蔽层必须两端接地;同时在DL/T5136-2012《火力发电厂、变电所二次设计技术规程》16.4.6-7条中又指出:两点接地的屏蔽电缆宜采取相关措施,防止在暂态电流作用下屏蔽层被烧熔。

本期讨论如何防止屏蔽层被暂态电流烧熔。

屏蔽层两点接地后,如果两接地点之间出现电位差,则屏蔽层有电流流过,电流过大就会烧熔屏蔽层。解决办法见图1:沿屏蔽层敷设旁通导体。

image.png

图 1加强屏蔽作用的旁路导体提供共用等电位联结系统

图1 摘自GB/T16895.10-2010图44.R1

TT系统中替代或旁路等电位联结导体,防止两点接地的线缆屏蔽层流过电流。

image.png

                     图2 本图摘自GB/T16895.10-2010图44.R2


image.png

图3 摘自图集14D504《接地装置安装》

GB/T 50065-2011第4.3.3-2条规定:

4.3.3 有效接地和低电阻接地系统中,发电厂和变电站接地网在发生接地故障后地电位升高超过2000V时,接地网及有关电气装置应符合下列要求:

2 应采用扁铜(或铜绞线)与二次电缆屏蔽层并联敷设。扁铜应至少在两端就近与接地网连接。当接地网为钢材时,应防止铜、钢连接产生腐蚀。扁铜较长时,应多点与接地网连接。二次电缆屏蔽层两端应就近与扁铜连接。扁铜的截面应满足热稳定的要求。

目前,新建的大型炼油化工装置中压系统很多采用低电阻接地系统,因此应该采用扁铜(或铜绞线)与二次电缆屏蔽层并联敷设。


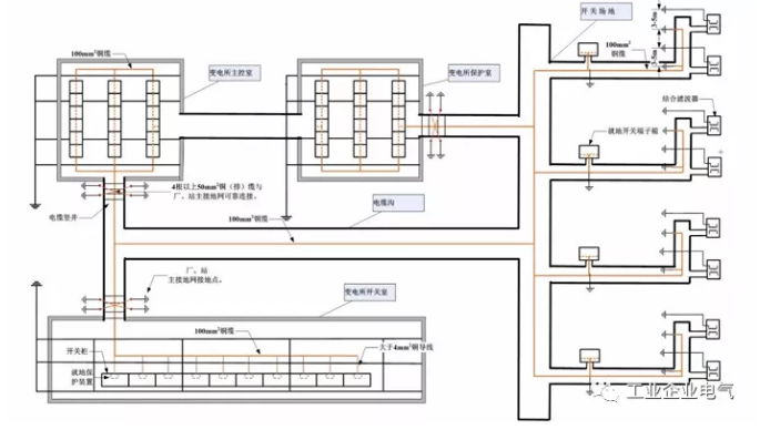
在新修订的《国家电网有限公司十八项电网重大反事故措施》2018版第15.6.2.6条:

15.6.2.6 为防止地网中的大电流流经电缆屏蔽层,应在开关场二次电缆沟道内沿二次电缆敷设截面积不小于100mm2的专用铜排(缆);专用铜排(缆)的一端在开关场的每个就地端子箱处与主地网相连,另一端在保护室的电缆沟道入口处与主地网相连。

image.png


 
 
 上一篇:电气基础知识汇总
 下一篇:6KV不接地系统不同位置单相接地故障分析及保护配置方法